Rơ le nhiệt điều hòa là bộ phận không phải người nào cũng biết đến khi sử dụng điều hoà. Hãy để Siêu thị điện máy HC sẽ giúp các bạn về vấn đề này hiểu rõ chúng hơn nhé.
1. Khái niệm về rơle nhiệt điều hòa
Rơ le nhiệt điều hòa còn được gọi với tên phổ thông khác là relay nhiệt điều hòa - Chúng có chức năng tự động đóng/ngắt mạch khi thấy dòng điện có dấu hiệu tình trạng quá tải để bảo vệ và khắc phục sự cố của dòng điện khi sử dụng trên điều hòa.

Nguyên lý hoạt động của các rơle nhiệt dựa trên sự giãn nở của các thanh kim loại khi bị đốt nóng và được sử dụng khá phổ biến ở các hệ thống điện lớn nhỏ, từ các khu công nghiệp đến các hộ gia đình.
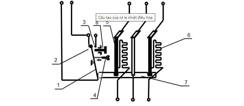
2. Cấu tạo rơ le nhiệt điều hòa
Cấu tạo về rơle nhiệt điều hoà gồm có 8 phần như sau được ký hiệu giống y như ảnh đã chụp:

1. Đòn bẩy.
2. Tiếp điểm thường đóng (NC)
3. Tiếp điểm thường mở (NO).
4. Vít chỉnh dòng điện tác động.
5. Thanh lưỡng kim.
6. Dây đốt nóng.
7. Cần gạt.
8. Nút phục hồi (Reset).
3. Phân loại rơ le điều hoà
Rơle điều hoà sẽ được phân loại theo như sau mà các bạn cần nên biết:
- Theo nhu cầu sử dụng rơ le nhiệt điều hòa chia làm 2 loại: rơ le nhiệt một cực và rơ le nhiệt hai cực.

>> Tham khảo:
Công nghệ Wind Free là gì? Công nghệ mới trên điều hoà Samsung
Khái niệm về bo mạch điều hòa - Nguyên nhân dẫn đến bo máy lạnh hư
- Theo kết cấu được chia làm 2 loại: rơ le được chia thành rơ le kiểu hở và rơ le kiểu kín.
- Theo phương thức đốt nóng được chia thành: rơ le nhiệt được chia làm ba loại rơ le đốt nóng trực tiếp, rơ le đốt nóng gián tiếp và rơ le đốt nóng hỗn hợp.
4. Chức năng rơle điều hoà
- Bảo vệ máy điều hòa không khí trong trường hợp dòng điện gia đình bạn vượt mức cho phép bị quá tải, tăng nhanh đột ngột.

- Rơ le nhiệt sẽ giúp các bộ phận trong điều hòa cũng hoạt động bền bỉ và ổn định hơn, tránh trường hợp bị chập, cháy nổ.
- Giúp làm tăng tuổi thọ điều hòa không khí cho gia đình bạn, giảm được những vấn đề hư hỏng không đáng tiếc xảy ra.
Trên đây là những thông tin hữu ích về rơ le nhiệt điều hòa, mời các bạn cùng tham khảo nhé.
Siêu thị điện máy HC